4th-Axis Rotary table

eSDRT 175-135

Compact/Customize/Cost-effective

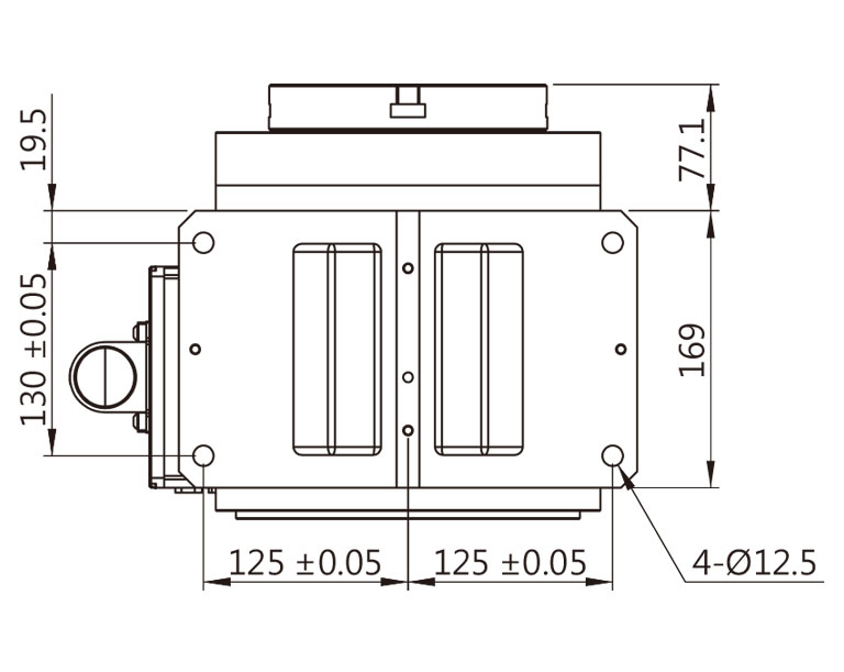
Customize plate for mechanical fitting if needed.

4th-Axis Rotary table eSDRT 175-135
  • Direct connection to the load, Gearless, Backlashless, Low Noise.
  • High over-load capacity(4x), High speed, High servoresponse.
  • Absolute encoders, High resolution(over 22-bits), High Precision.
  • Hollow-Shaft structure, easy wiring and piping.
  • High rigidity, integrated radial and axial bearings, suitable for heavy-duty cutting applications.
  • Heavy-duty Machines.
  • Customer-Supply-Encoder available.
  • Customize plate for mechanical fitting if needed.
  • Structure part modulized, local tooling.
Item
Mechanical Specification
Driving system
Center height
End plate diamater
Center hole diamater / Through hole diamater
End plate T-slot width
Key way width
Total weight (including Torque Motor)
Table Inertia
Allowable load inertia
Capacity of workpiece mass
Clamping Torque
Allowable load when clamped (FxL)
Max. radial / axial runout of endplate
Cooling method / IP protection level
Electrical Specification
Driver input voltage
Poles
Rated / Max. Torque
Rated / Max. Speed
Rated / Max. Current
Back E.M.F.
Torque constant
Absolute accuracy a)
Repeatability
Backlash
Item unit Value Remarks
Mechanical Specification
Driving system -- -- Direct-Drive  
Center height CH mm 135  
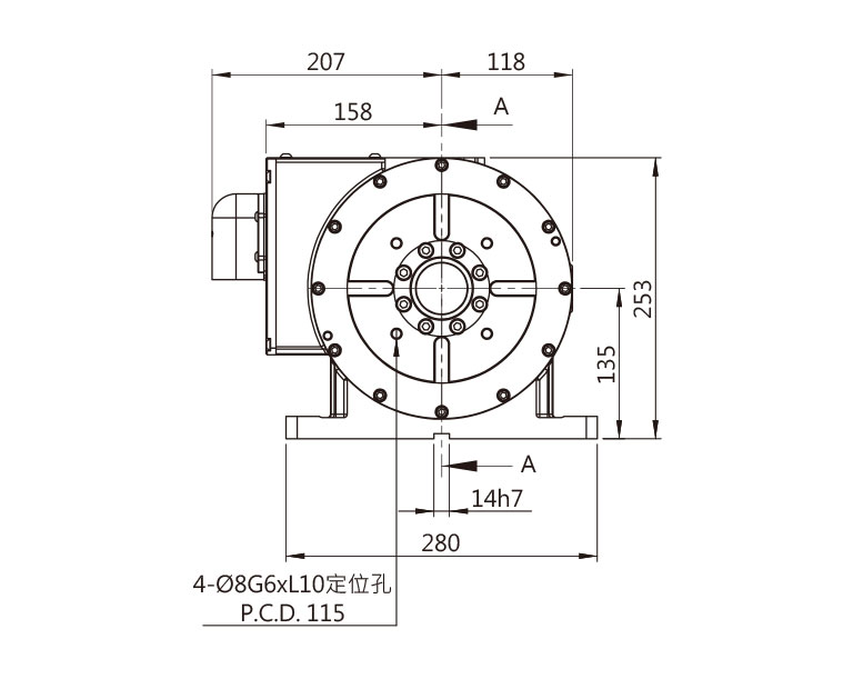
End plate diamater PD mm Φ170  
Center hole diamater / Through hole diamater -- mm Φ26H7 / Φ22 through hole  
End plate T-slot width TW mm 12H7  
Key way width KW mm 14H7  
Total weight (including Torque Motor) W kg 80  
Table Inertia J kg.m2 0.1  
Allowable load inertia Ja kg.m2 0.3  
Capacity of workpiece mass Vertical kg 50
(Φ200x200L, S45C)
Cannot be used horizontally
Use tailstoc kg 100 Cannot be used horizontally
Clamping Torque Tc Nm 400 with 6kgf/cm2 air supply
Allowable load when clamped (FxL) Ta Nm 480  
Max. radial / axial runout of endplate Rr / Ra um 5 / 5  
Cooling method / IP protection level -- -- self-cooling / IP67  
Electrical Specification
Driver input voltage VD Vrms 220  
Poles p -- 44  
Rated / Max. Torque Tr / Tm Nm 60 / 240  
Rated / Max. Speed Vr / Vm rpm 100 / 200  
Rated / Max. Current Ir / Im Arms 4.4 / 24  
Back E.M.F. Ke Vrms 90Vrms@100rpm terminal to terminal
Torque constant KT Nm / Arms 13.6  
Absolute accuracy a) P arc- sec ±10 By RENISHAW XL80+XR20-W measurement
Repeatability Ps arc- sec 4 By RENISHAW XL80+XR20-W measurement
Backlash U arc- sec 4 By RENISHAW XL80+XR20-W measurement
  • CNC Tapping Center Applications
  • CNC Gear Tool Grinding Machines