5th-Axis Rotary table
SDTT-250L
Compact/Customize/Cost-effective
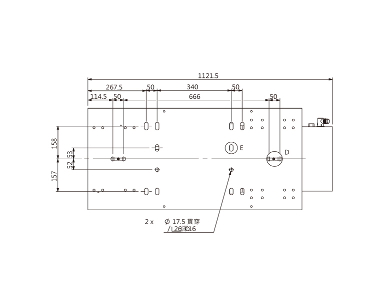
Customize plate for mechanical fitting if needed.
- Direct connection to the load, Gearless, Backlashless, Low Noise.
- High over-load capacity(4x), High speed, High servo-response.
- Absolute encoders, High resolution(over 22- bits), High Precision.
- Hollow-Shaft structure, easy wiring and piping .
- Customer-Supply-Encoder available.
- Customize plate for mechanical fitting if needed.
- Structure part modulized, local tooling.
- Supply non-hollow shaft type.
Item
Mechanical Specification
Axis
End plate diameter
Center hole diamater / Through hole diamater
End plate hight
End plate T-slot width / Key way width
Total weight (including Torque Motor)
Allowable load inertia
Clamping Pressure
Clamping Torque
Capacity of workpiece mass
Allowable load when clamped
Cooling method / IP protection level
Electrical Specification
Driver input voltage b)
Poles
Rated power
Rated / Max. Torque c)
Rated / Max. Speed
Rated / Max. Current c)
Back E.M.F.
Torque constant
Least input increment
Absolute accuracy d)
Backlash d)
- CNC Tapping Center Applications
- CNC Vertical Machine Center Applications
- Heavy-duty machines