5th-Axis Rotary table

SPBMS500-1SH

Compact/Customize/Cost-effective

Customize plate for mechanical fitting if needed.

5th-Axis Rotary table SPBMS500-1SH
  • Direct connection to the load, Gearless, Backlashless, Low Noise.
  • High over-load capacity(4x), High speed, High servoresponse.
  • Absolute encoders, High resolution(over 22-bits), High Precision.
  • Hollow-Shaft structure, easy wiring and piping.
  • High rigidity, integrated radial and axial bearings, suitable for heavy-duty cutting applications.
  • Heavy-duty Machines.
  • Customer-Supply-Encoder available.
  • Customize plate for mechanical fitting if needed.
  • Structure part modulized, local tooling.
Item
Mechanical Specification
Driving system
Shaft Diamater
Through hole diamater
Total weight (including Torque Motor)
Un-Clamping Pressure
Clamping Pressure
Clamping Torque
Capacity of workpiece mass
Allowable load when clamped
Shaft runout Radial
Shaft runout Axial
IP protection level
Cooling method
Electrical Specification
Driver input voltage
Poles
Rated power (Liqud-Cooling)
Rated Torque (Liqud-Cooling) / Max.Torque
Rated Current (Liquid-Cooling) / Max.Current
Rated Speed / Max. Speed
Back E.M.F.
Torque constant
Least input increment
Absolute accuracy a)
Repeatability
Backlash
Item unit Vlaue Remarks
Mechanical Specification
Driving system -- -- Direct-Drive  
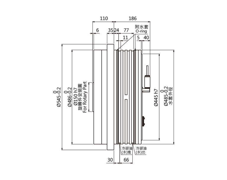
Shaft Diamater SD mm Φ150h7 Rotary member installation datum
Through hole diamater TD mm Φ85G7xL10, Φ70 through hole  
Total weight (including Torque Motor) W kg 265  
Un-Clamping Pressure Puc kg.m2 12 Hydraulic
Clamping Pressure Pc kg.m2 12 Hydraulic
Clamping Torque Tc Nm 1500 Hydraulic
Capacity of workpiece mass Horizontal kg 500
(Φ500x320L, S45C)
 
Vertical kg 375  
Allowable load when clamped F N 30000  
FxL (Direction) Nm 1500  
FxL (Axial) Nm 2000  
Shaft runout Radial Rr mm <0.005  
Shaft runout Axial Ra mm <0.005  
IP protection level -- -- IP67  
Cooling method -- -- Liqud-Cooling  
Electrical Specification
Driver input voltage VD Vrms 220 380  
Poles P -- 88  
Rated power (Liqud-Cooling) Prc W 3035  
Rated Torque (Liqud-Cooling) / Max.Torque Trc / Tm Nm 580 / 870 580 / 1160  
Rated Current (Liquid-Cooling) / Max.Current Irc / Im Arms 30 / 46 30 / 64  
Rated Speed / Max. Speed Vr / Vm rpm 50 / 100 50 / 150  
Back E.M.F. Ke Vrms@100rpm 150 terminal to terminal
Torque constant Kt Nm / Arms 25  
Least input increment -- degree 0.001  
Absolute accuracy a) P arc- sec ±10  
Repeatability Ps arc- sec 4  
Backlash U arc- sec 4  
  • CNC Tapping Center Applications
  • CNC Vertical Machine Center Applications
  • Heavy-duty machines