Electric Scooter Power Traction

SBM Series

Customized design and verification

Low NVH and dimension with automobile factory design.

Electric Scooter Power Traction SBM Series
  • Low start current with gear box reduced battery power consumption.
  • High Efficiency, High Torque, High power density and Low maintenance.
  • Aluminum case designed high heat radiation and strong structure.
  • Low NVH and dimension with automobile factory design.
  • Ingress protection rating Ip65.
  • Climbing angle >19%
  • Selr-cooling and water-cooling.
  • Have fast start and high speed.
  • Customized design and verification.
Item / Model
Vehicle Performance
Layout
Gear Ratio
Climbing angle
Max. Speed
Vehicle Weight
Battery Voltage
Range
Performance
Continuous / Peak Power
Contunuous / Peak Torque
Contunuous / Max. speed
Motor Efficiency
Continuous / Peak current
KE
KT
Isolation
Ingress Protection Rating
Motor weight
Cooling
適用產品
排氣量
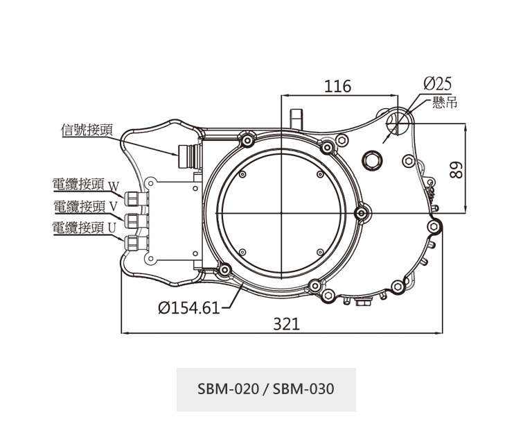
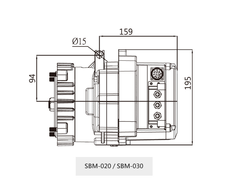
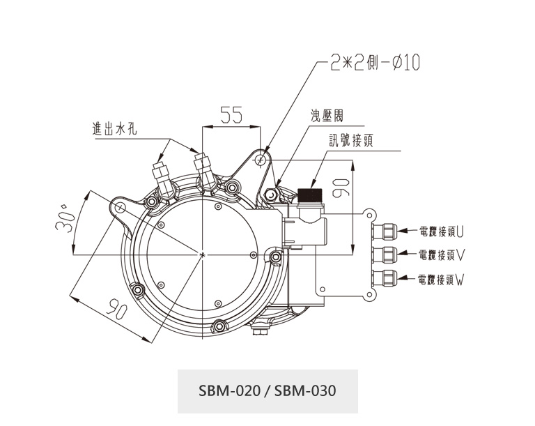
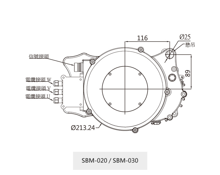
Item / Model Unit SBM-020 SBM-030 SBM-060 SBM-088
Vehicle Performance
Layout   輪邊 中置
Gear Ratio   1 : 7.66 1 : 3.06 兩段減速比
Climbing angle   50 60 60 100
Max. Speed km/hr 50 60 60 100
Vehicle Weight kg 90 90 115 115
Battery Voltage   50 50 100 100
Range km
(定速40公里)
50 50 90 90
Performance
Continuous / Peak Power kW 1.3 / 2.0 2.0 / 3.2 4.4 / 6 7.5 / 8.8
Contunuous / Peak Torque Nm 4.2 / 6.5 6.4 / 10 14 / 19 14.3 / 28
Contunuous / Max. speed rpm 3000 / 6000 5000 / 10000
Motor Efficiency   94%
Continuous / Peak current Arms 60 / 90 90 / 142 64 / 86 110 / 237
KE Vrms / rpm 15 / 3000 47 / 3000 47 / 5000
KT Nm/Arms 0.07 0.22 0.13
Isolation   H
Ingress Protection Rating   IP67
Motor weight kg 13 15 20 13
Cooling   Self-Cooling Water-Cooling
適用產品
排氣量   100cc 120cc 150cc