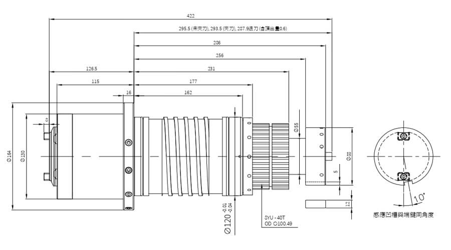
Belt Drive Spindle

BT40, Ø120

High Precision, High Rigidity, High Speed, Low Vibration, High Reliability.

According to the customer's needs, provide the corresponding motor parameter to match the different drivers of the customer and maximize the performance of the motorized spindle.

Belt Drive Spindle BT40, Ø120
Item
Outer Diameter
Max. Speed
Taper
Bearing Brand
Bearing Specifications
Lubrication
Preload
Bearing Temperature Control
Driven
Clamping Force
Clamping Form
Taper Runout
Root of Test Bar Runout
300 mm Test Bar Runout
Balance Grade
Position
Installed
CTS
Coolant
Spindle cooling demand
Weight
Item BT40
Outer Diameter Ø 120 mm
Max. Speed 10000 RPM 12000 RPM
Taper BT40
Bearing Brand Japanese
Bearing Specifications Large Steel Ball 7012 x 2, Small Steel Ball 7012 x 4
Lubrication Grease
Preload Position Preload
Bearing Temperature Control Temperature: Under +18℃
Driven Belt Drive
Clamping Force 700±50 KGF
Clamping Form BT40 4 Petal Clamp Pull claw
Taper Runout 0.002 mm
Root of Test Bar Runout 0.003 mm
300 mm Test Bar Runout 0.008 mm
Balance Grade G1 (ISO1940)
Position Proximity Switch
Installed Vertical
CTS n/a
Coolant Oil
Spindle cooling demand 1000 Kcal / h
Weight ~38 KG